| Sign In | Join Free | My china-telecommunications.com |
|
Brand Name : SUNNY
Model Number : SN-SG-OX240F
Certification : CE,ISO9001
Place of Origin : China
MOQ : 1 Pcs
Payment Terms : L/C, T/T, Western Union
Supply Ability : 5000 Pcs/ Month
Delivery Time : 7~15 days
Packaging Details : in Carton Box
Name : Elevator governor
Speed : 0.25~2.5 M/S
Rope Wheel Diameter : Ф240 mm
Pulling force : 1000~2000N
Used : Elevator Parts
Model : Elevator governor non-return machine roomless
Warranty time : 12 Months
Specification : AC220V AC110V DC24V
Type : Elevator Governor
Product : Elevator Governor
One Direction Overspeed Governor Bidirection Overspeed Governor For MRL Elevator
PRODUCT FEATURES
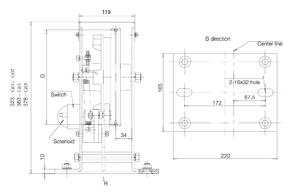
| Type | SN-SG-XSQ115-02 |
| Specification | Rated speed:0.25~2.5(m/s) |
![]() | |
PRODUCT FEATURES
Bidirection overspeed governor for MRL elevator
| G table | Sheave pith D(mm) | Wire rope diameter(mm) | Rated speed(m/s) |
| G01 | Φ200 | Φ6 | 0.5~1.0 |
| G02 | Φ6.3 | ||
| G03 | Φ280 | Φ8 | 1.0 |
| G05 | Φ305 | 1.25~1.75 | |
| Overspeed switch voltage grade | Tripping solenoid voltage | Solenoid voltage of overspeed switch | |
| DC110 or AC220 | AC220 | AC220 | |
![]() | |||



FAQ
1. Are the elevator wire ropes durable?
The elevator wire rope has special provisions and requirements. Configuration is not only for wire rope and rated load, but also considered the size of the traction, as a result, the tensile strength of wire rope is greater than the weight of the lift. The safety factor is equipped with more than four wire rope. So it won’t break at the same time.
2. Is it dangerous for power failure suddenly during the elevator running?
If it occurs, the elevator will automatically stop due to the electrical and mechanical safety device. In case of power failure,elevator brakes will automatically taken. In addition, the power supply departments such as planned outage, prior notice are also operating.
3. Will us be hurt when it closed suddenly?
In the closing process, if people touch the hall door, the door of elevator will automatically restart without any danger. With anti clamping switch, once the gate touched, this switching action make the elevator unable to be closed and even reopened. In addition, closing force is also available here.
4. How the elevator running?
Elevators are operated with a counterweight wire rope through the (tractor) traction drive, making ups and downs on the guide rail.
5. Is the escalator installation complicated?
We believe the functions of an escalator are not necessarily proportional to the operation complexity. Therefore, escalators designed by us apply an integrated structure, so that the equipment is more precise and more efficient and allows easier and more convenient commissioning.
6. Do you have any cerifications?
Yes, we do with ISO9001 / CCC / CE Certificates for u.
|
|
One Direction / Bidirectional Overspeed Governor For MRL Elevator Images |